
Držák sloupový PRDS70
Držák sloupový PRDS70. Komponent pro spolehlivou instalaci a provoz kamerového systému.
Pro koho je držák PRDS70 ideální?
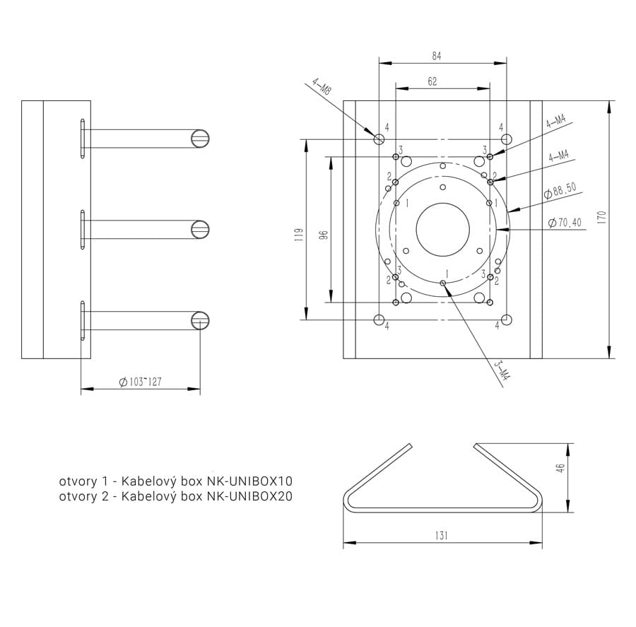
PATRONUM PRDS70 je sloupový držák určený pro montáž bezpečnostních kamer na kulaté sloupy — například osvětlovací stožáry, plotové sloupky nebo průmyslové nosníky. Standardně pojme sloupy do průměru 140 mm, ale díky možnosti kombinace s děrovanou pásovinou jej lze přizpůsobit prakticky libovolnému průměru.
Osvětlovací stožáry a plotové sloupky
Nejčastější využití najde PRDS70 na parkovištích, vjezdech nebo podél oplocení, kde jsou k dispozici stávající stožáry veřejného osvětlení nebo ocelové sloupky. Namísto nákladného vrtání do zdi nebo budování nového stojanu jednoduše využijete již existující infrastrukturu a ušetříte čas i materiál při instalaci.
Průmyslové areály a komerční objekty
Ve výrobních halách, skladových areálech nebo na oplocených provozech se průměry sloupů různí podle použitého materiálu a konstrukčního řešení. Kombinací PRDS70 s děrovanou pásovinou získáte univerzální řešení, které se přizpůsobí konkrétním podmínkám na místě — bez nutnosti objednávat zakázkové díly nebo improvizovat na stavbě.
Instalace v kombinaci s kamerovými boxy
Držák je navržen tak, aby byl plně kompatibilní s kamerami a kabelovými boxy z nabídky PATRONUM. Kabelový box lze připojit přímo do sestavy, čímž vznikne čisté a mechanicky odolné řešení bez volně visících kabelů — důležitý detail zejména u venkovních instalací vystavených povětrnostním vlivům.
Kdy PRDS70 nestačí a co zvolit místo něj?
Pokud montujete kameru na rovnou stěnu nebo strop, sáhněte raději po nástěnném nebo stropním držáku z nabídky PATRONUM — PRDS70 je optimalizovaný výhradně pro sloupovou montáž. Naopak všude tam, kde máte k dispozici sloup a chcete rychlou, čistou a mechanicky spolehlivou instalaci, je PRDS70 přímočará volba za rozumnou cenu.




